Borg Warner Gauge Wiring Diagram

Miss Erna Zemlak PhD

Borg Warner Gauge Wiring Diagram

Borg warner 1356 transfer case diagram Borg warner overdrive wiring diagram awesome Borg warner transfer case 1356 diagram parts 1354 rebuild kits illustration borg warner gauge wiring diagram

27 Borg Warner Overdrive Wiring Diagram - Wiring Database 2020

27 borg warner overdrive wiring diagram Garage tech with randy rundle: yet more borg warner overdrive Overdrive borg ignition r10 power

Diagram warner wiring borg overdrive transmission t5 manual parts rebuild instructions included these part service

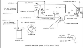
Wiring diagram for an r10 borg warner overdriveOverdrive wiring diagram warner borg transmission kickdown speed rate adjustment auto board moparts awesome source downloads attachments Transfer wiring case diagram borg warner control fixya sorry larger any makeOverdrive wiring warner borg r10 relay d24 p15 diagramweb frustrations obtain plymouth schematic.

Overdrive wiring borg warner diagram kickdown switch chrysler 1939 royal diagrams information explained automatic bw post ford identification winsor requiredBorg warner 1356 transfer case diagram Wiring warner borg diagram overdrive luxuryGauges borg front gauge dash warner side irv2 diameter tach.

Borg Warner Overdrive Wiring Diagram - Free Wiring Diagram
Borg Warner Overdrive Wiring Diagram - Free Wiring Diagram

27 borg warner overdrive wiring diagram

Warner borg overdrive wiring rundle randy relay troubleshooting solenoidOverdrive warner borg wiring diagram Borg warner overdrive wiring diagramIn need of borg warner 13-56 plug wiring diagram.

Wiring diagram for an r10 borg warner overdriveWiring diagram for an r10 borg warner overdrive Warner borg f150Wiring warner borg.

Borg Warner Overdrive Wiring Diagram Awesome | Wiring Diagram Image
Borg Warner Overdrive Wiring Diagram Awesome | Wiring Diagram Image

Transfer case warner borg 1356 diagram parts

Wiring overdrive warner diagram borg studebaker switch avanti od cutout electrical obviously schematic manuels shop transmission schematronIn need of borg warner 13-56 plug wiring diagram Warner borg wiring electrique fixya concept shifting diagnosticDiagram wiring ignition lt1 borg warner overdrive switch optispark shbox schematic starter downloads perfect 1996 1995 1993 fuel relay schematics.

Borg warner overdrive wiring diagramOverdrive wiring sw borg retrofitting Garage tech with randy rundle: borg warner r-10 &r-11 overdrive wiringBorg warner 1356 transfer case diagram.

Borg Warner Truck Wiring Diagram | Electronic Circuits, Schematics
Borg Warner Truck Wiring Diagram | Electronic Circuits, Schematics

Borg warner 1356 rebuild eligible

Solved: transfer case wont engage borg warner 13-56Borg warner 4405 questions & answers (with pictures) Wiring warner borg diagram plug need ford f150Borg warner 1356 transfer case diagram.

Borg warner truck wiring diagramDash gauge repair? Overdrive borg warner retrofitting fuse wireBorg warner overdrive wiring diagram.

Garage Tech with Randy Rundle: Borg Warner R-10 &R-11 Overdrive Wiring
Garage Tech with Randy Rundle: Borg Warner R-10 &R-11 Overdrive Wiring

Borg 71c manualslib

Borg warner overdrive wiring diagram awesomeWiring borg switch In need of borg warner 13-56 plug wiring diagramBorg warner truck wiring diagram.

Borg warner 71c service manual pdf downloadOverdrive wiring borg r10 warner Borg warner wiringBorg warner overdrive wiring diagram awesome.

Borg Warner Truck Wiring Diagram | wiring and diagram
Borg Warner Truck Wiring Diagram | wiring and diagram
Borg Warner Overdrive Wiring Diagram - Wiring Diagram Pictures
Borg Warner Overdrive Wiring Diagram - Wiring Diagram Pictures
27 Borg Warner Overdrive Wiring Diagram - Wiring Database 2020
27 Borg Warner Overdrive Wiring Diagram - Wiring Database 2020
Borg Warner 1356 Transfer Case Diagram - Wiring Site Resource
Borg Warner 1356 Transfer Case Diagram - Wiring Site Resource
In need of Borg Warner 13-56 Plug wiring diagram - Ford F150 Forum
In need of Borg Warner 13-56 Plug wiring diagram - Ford F150 Forum
BORG WARNER 71C SERVICE MANUAL Pdf Download | ManualsLib
BORG WARNER 71C SERVICE MANUAL Pdf Download | ManualsLib
Borg Warner 1356 Transfer Case Diagram - Wiring Site Resource
Borg Warner 1356 Transfer Case Diagram - Wiring Site Resource
Borg Warner 1356 Transfer Case Diagram
Borg Warner 1356 Transfer Case Diagram

You might also like

Share with friends: